Cronos Crystal
649.40.620.000
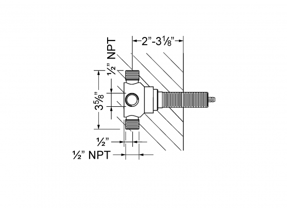
4-port,3-way dedicated diverter, rough only
Description
- for assembly set XXX.60.432 or XXX.60.435
- solid brass construction; ceramic disc cartridge
- must use with volume control trim
- ½"M NPT inlet; 3 x ½"M NPT outlets
- flow is dedicated. May not be split into two outlets at once
- flow rate 5 GPM at 60 PSI
- CALGreen compliant
- ASME A112.18.1, CSA B125 and ASSE 1016 standards compliant
Specification drawing (inch)

Technical Data - Download
- pdf 596 KB Download
