Valencia
638.40.650.xxx-AA
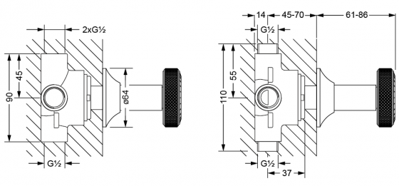
Переключатель трёхпозиционный ½“
описание
- внутристенный монтаж
- внешняя часть
- без функциональной части
- рукоятка, гильза
- подвижная розетка
- пропускная способность 52 л/мин при 3 барах
Для этого необходимо
Отделки
Модели ручек
Размер (mm)


