Valencia
638.40.385.xxx-AA
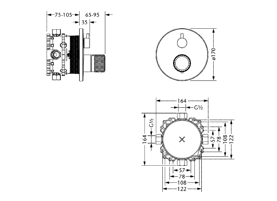
Concealed wall thermostat with flow control, assembly set ½"
Description
- manual two way diverter with ceramic cartridge for pressure-independent function
- with integrated volume control
- without safety device
- flow rate 20,4 l/min at 3 bar
This is required
Finishes
Handle options
Specification drawing (mm)


