Shadó
649.10.970.000
Assembly set for pre-installation
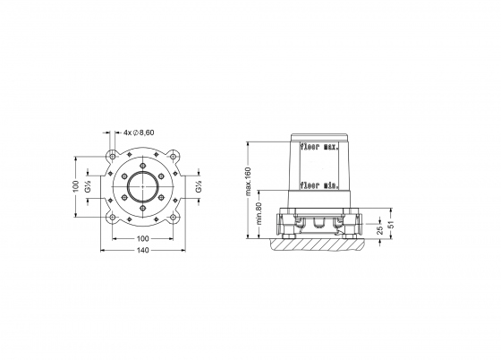
Description
- adjustable to accommodate uneven floors
- mud guard with min/max floor depth
- rough can be installed and rotated to fit pipes
- trim can be rotated 360 degrees
Specification drawing (mm)

Technical Data - Download
- pdf 90 KB Download
