Delphi
109.40.360.xxx
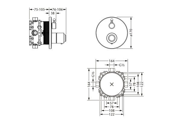
Concealed wall thermostat with flow control, assembly set ½"
Description
- without diverter
- with integrated ceramic cartridge for volume control
- flow rate 20,4 l/min at 3 bar
This is required
Finishes
Specification drawing (mm)

Technical Data - Download
- pdf 81 KB Download

